>Journaux du site au 22/08/2022 à 10:26Forum 2.6.9
S'enregistrer pour posterRechercherPréférences

Pas de Post-it

Forum standardGalerie Forum
Sujet : Problème Metrix 462C Nouveau De georgesgiralt  Le 20-10-2025 à 19:00 sta

    Bonsoir à tous,
    Mon vaillant Metrix a des soucis.
    Il marche de temps en temps : quand il marche c'est nickel et il est assez juste bien que pas étalonné récemment. Mais de temps en temps, rien. Pas un seul frémissement du galva. Quelle que soit la gamme et/ou le type de mesure (Volts continus ou alternatifs, courant continu ou alternatif).
    J'ai pensé à un PB de galva. Il est bon. Pas coupé ni ses fils dessoudés.
    Alors, j'ai pensé au commutateur et vaporisé du produit dedans car il semblait oxydé.
    J'ai mesuré les chaînes de résistances et de de shunts. Aucune coupure ou faux contact.
    Le schéma dont je dispose n'est pas identique à mon appareil (qui est un ''C'').
    Aussi, j'aimerai avoir vos idées ou conseils.
    D'avance merci !


Sujet : Problème Metrix 462C Nouveau De Jacques (Webmestre)  Le 20-10-2025 à 19:29 sta



Sujet : Problème Metrix 462C Nouveau De bthiry  Le 20-10-2025 à 22:29 sta

    peut-être un problème de continuité des sondes ?


Sujet : Problème Metrix 462C Nouveau De georgesgiralt  Le 21-10-2025 à 11:02 sta

    Heu, non. J'y ai pensé et testé avec 3 types de cordons différents.
    Je viens de suivre les pistes du circuit autant que possible et ai trouvé une ''coupure'' que j'ai réparée. Mais hélas sans effet.
    Je crains que la panne se trouve dans le commutateur qui est un cauchemar tellement c'est tassé ....


Sujet : Problème Metrix 462C Nouveau De papiluc  Le 21-10-2025 à 11:07 sta

    Bonjour
    Pas facile j'ai un 462 qui mre pose problème aussi ,le galvanomètre dévie plus ou moins quand je suis sur la gamme Ohmètre et alternatif rien sur continu et intensité, pas trouvé le problème peut-être l'isolement du commutateur !
    Salutations Papiluc


Sujet : Problème Metrix 462C Nouveau De f17439  Le 21-10-2025 à 12:33 sta

    Bonjour à tous,

    A une époque, j'avais tenté une méthode pour identifier les familles des Metrix 462 et MX462.

    Voilà le résultat :

    La famille du Metrix 462 a débuté par le 462, identifiable par ces marquages sur le cadran :
    metrix (en noir et italique)
    metrix (en rouge et italique)
    METRIX (en majuscules soulignées et noir)
    METRIX (en majuscules soulignées et rouge)
    metrix (en blanc sur fond noir).
    Tous sans nom de modèle.

    Pour le 462B, identification par : metrix mod.462B
    Pour le 462C, identification par : metrix mod.462C
    Pour le 462D est assez rare. Peu de doc et de photo.
    Pour le 462E, la marque devient ITTmetrix, identification par : metrix mod.462E sur le cadran ou par ITTmetrix.

    Ensuite viennent les MX462F, MX462G et MX462H, identification par : metrix en blanc sur fond noir et MX 462 sur le cadran.
    Pour le MX462H ultime modèle de cette famille, les douilles 4mm sont sécurisées (Classe III).

    Mes trois Metrix de cette famille :
    metrix en italique Mod.462B
    metrix Mod 462C
    metrix en blanc sur fond noir MX 462
    Ces trois modèles ont tous une pile de 15V et une pile de 1.5V.
    La particularité du MX462F est que la pile de 15V est ronde alors que pour les 462B et 462C elle est carrée.
    Mon MX462 a des vis ''torx'' pour la fixation du boîtier, je l’identifie en F par le manuel qui a été livré avec et qui est marqué MX 462 F.
    Or il semble que certains MX462F ont des vis ordinaires, alors c’est possible que ce soit un G et que Metrix était en rupture de manuel pour le G.
    C’est possible aussi que se soit un F pour l’exportation, ce Metrix ayant été acheté en Italie.
    Il semble que pour les MX462F et MX462G, seul le manuel utilisateur permet de les distinguer.

    Bonne journée,

    Jean


Sujet : Problème Metrix 462C Nouveau De kiki37  Le 21-10-2025 à 13:59 sta



Sujet : Problème Metrix 462C Nouveau De jean Adams  Le 21-10-2025 à 20:40 sta

    Bonsoir
    Je ne pense pas que ce soit votre cas mais on ne sait jamais .
    J'ai eu des problèmes avec un Metrix MX215A .
    Il fonctionnait très bien , après le changement des piles ,l'aiguille ne revenait plus à 0 .
    La vis de 0 mécanique n'agissait plus .
    La cause :Electricité statique sur le plexi , que j'ai pu supprimer avec un nettoyant vitres .
    (pulvérisateur Jex, noté anti statique).


Sujet : Problème Metrix 462C Nouveau De georgesgiralt  Le 21-10-2025 à 21:12 sta

    Merci du tuyau mais mon galva bouge fort bien (enfin, son aiguille ! )
    Mon problème se situe entre la série de résistances ''pont diviseur'' et le galva.
    Je penche pour un faux contact ou une soudure sèche sur le commutateur de gammes...
    J'ai trouvé un schéma de câblage qui va me permettre de vérifier si les contacts se font bien.
    Wait and see !


Sujet : Problème Metrix 462C Nouveau De f17439  Le 22-10-2025 à 10:03 sta

    Faute de frappe au dénut de mon texte dans la ligne suivante :
    La famille du Metrix 462 a débuté par le 462, identifiable par ces marquages sur le cadran :
    Corrigée par cette ligne :
    La famille du Metrix 462 a débuté par le 460, identifiable par ces marquages sur le cadran :

    Mille escuses...

    Jean


Sujet : Problème Metrix 462C Nouveau De georgesgiralt  Le 24-10-2025 à 17:24 sta

    Bonjour à tous,
    Je ne comprends pas tout. Les documents font état de 6 commutateurs numérotés de A à F.
    Or l'appareil ne dispose sur son sélecteur que de deux galettes. Et si l'on regarde la galette qui est visible quand on ouvre l'appareil, il n'y a qu'un seul commun sur cette galette...
    Donc, comment faire 6 commutateurs à 5 positions avec deux galettes ???
    Parce que plus je regarde, mesure, et essaye de comprendre, moins je comprends....
    D'ici là, bon week-end.

  
  

Sujet : Problème Metrix 462C Nouveau De pierre cornic  Le 24-10-2025 à 20:00 sta

    Bonjour,
    Chaque galette a son dessus et son dessous soit 4 cotés.
    sur le document joint on parle de l'avant et de l'arrière des galettes.
    Comme se sont des galettes avec 12 positions angulaires il y a peut être certaines avec 2 systèmes séparés.

  Fichier
.PDF
  

Sujet : Problème Metrix 462C Nouveau De georgesgiralt  Le 10-11-2025 à 17:17 sta

    Bonsoir,
    Je suis retourné jouer avec mon casse tête Metrix.
    Comme j'en ai un avec le galva coupé et l'intérieur en grande partie brûlé par une mesure de tension (sans doute secteur) en position ampèremètre, j'ai démonté son commutateur pour voir.
    Eh bien, je ne comprends pas le schéma quand je regarde le commutateur...
    Et, bien sur, le Metrix ne marche toujours pas....
    Si l'on regarde le commutateur quand on ouvre le Metrix, la galette visible a un seul contact qui atteigne le contact central. Et ce contact central a 4 oreilles à 90° l'une de l'autre.
    Comme il n'y a que 5 positions je ne vois pas comment on peut faire trois circuits ou même deux vu qu'il n'y a qu'un seul commun ...


Sujet : Problème Metrix 462C Nouveau De Radiolo  Le 11-11-2025 à 17:36 sta

    de tes symptomes c'est souvent le debut de la mort du galva
    ces multimetres on eu une generation de galvas dont le fil se coupait
    le moyen de s'en assurer mesurer la tension aux bornes dugalva avec um multimetre haute resistance d'entrée
    si le galva reste a zero et que la tension mesurée depasse les 150mV le galva est mort


Sujet : Problème Metrix 462C Nouveau De georgesgiralt  Le 11-11-2025 à 18:39 sta

    Bonsoir,
    La première recherche de panne a été de vérifier le galva. Il est nickel et dispose de sa sensibilité d'origine.
    La panne est ailleurs .... Mais zou ?


Sujet : Problème Metrix 462C Nouveau De pointcom  Le 13-11-2025 à 07:59 sta

    Avez vous vérifié les 2 diodes en parallèle sur le galva ainsi que la continuité de tous les shunts ?

    Amicalement


Sujet : Problème Metrix 462C Nouveau De georgesgiralt  Le 14-11-2025 à 09:00 sta

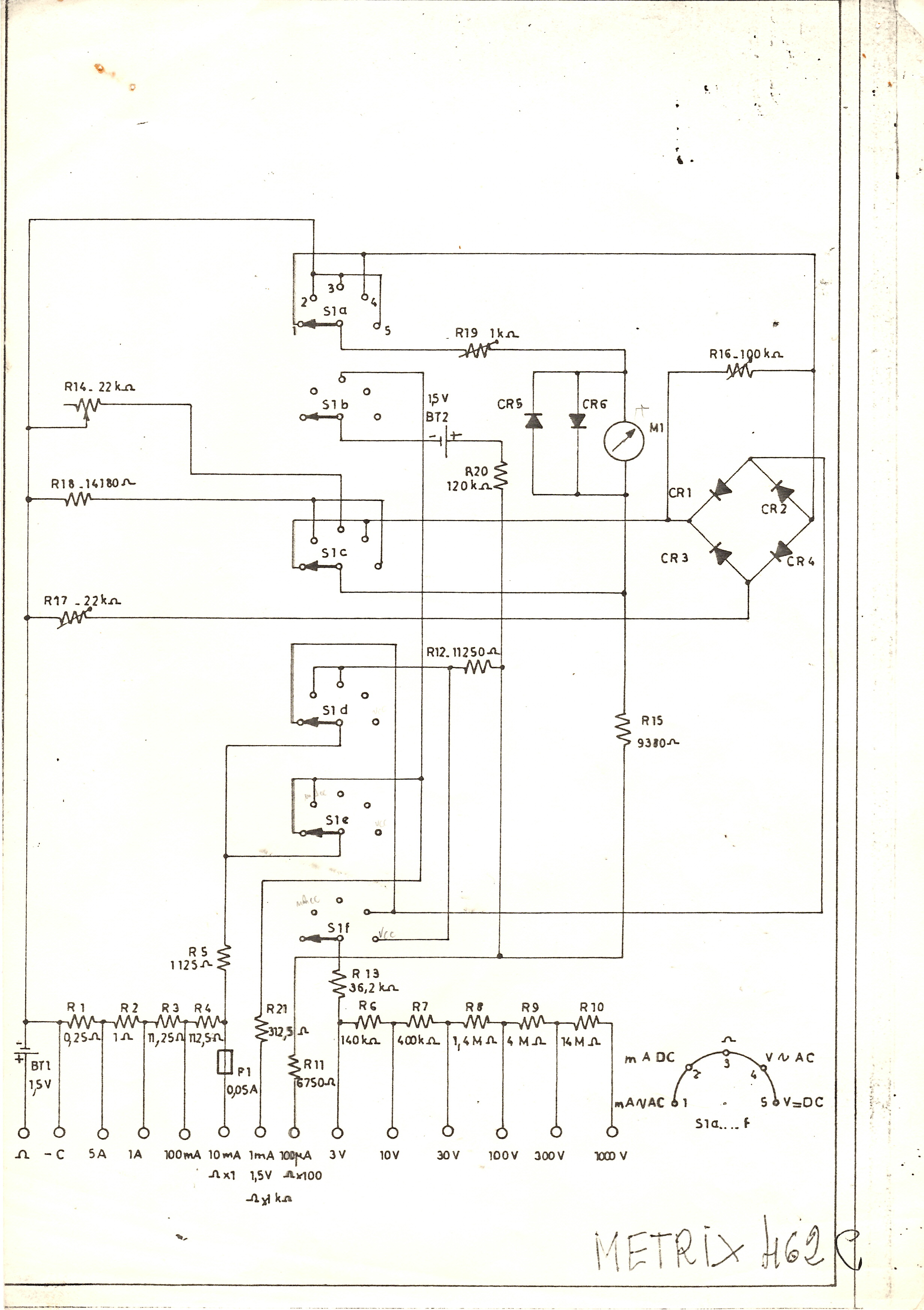
    Bonjour,
    Hier, j'avais un moment à tuer. Alors, j'ai précautionneusement dessoudé les diodes et les ai testées. Toutes sont nickel, que ce soit le deux de protection ou les 4 du pont redresseur.
    Et, la rage m'a pris. Alors j'ai imprimé les documents ci dessus, pris le schéma du mode d'emploi du 462, et un stabilo. Et j'ai suivi le schéma en position V continu.
    Ha!!!
    Le schéma avec les 6 commutateurs est faux ! En effet le calibre 1,5V/1mA ne mène nulle part.
    Donc, j'ai fouillé tous mes disques durs et trouvé le schéma joint. Comme il sort de chez Metrix, je l'espère juste et dès que je peux je vais m'en servir pour trouver la panne !
    J'espère arriver à quelque chose !

  
  

Sujet : Problème Metrix 462C Nouveau De F6FLC  Le 14-11-2025 à 15:31 sta

    Bonjour,

    et là des modifications sur le 462

  
  

Sujet : Problème Metrix 462C Nouveau De georgesgiralt  Le 14-11-2025 à 17:01 sta

    Heu, oui, mais ?
    Mon 462 C (ainsi que le 462 et le 462H ) que je possède dispose d'une sensibilité 1,5 V sur le calibre 1 mA continu.....
    Donc supprimer l'indication de calibre n'est pas la solution.
    Mais je reviendrai ici quand j'aurais trouvé....


Sujet : Problème Metrix 462C Nouveau De HLJ  Le 20-11-2025 à 10:01 sta

    Bonjour,

    Comme le câblage est assez serré entre les galettes, il peut arriver que les contacts se touchent entre deux galettes et fassent court-circuit.

    Dèjà vu ce cas ainsi que des mauvais contacts sur ces mêmes galettes dans divers sujets consacrés aux différentes version de ce mutimètre sur le forum voisin de Rétrotechnique.org, sujets à rechercher avec l'outil de recherche (loupe)

    Meilleures salutations.
    HLJ


 Retour aux sujets 

Rubriques du site

Gamme 1

- Galerie TSF - Mesure ancienne - Littérature - Trucs et astuces - Marquage composants - Tubes Brochages - Achat Vente - Forum - Liens utilesCe site vous
a aidé ?

Gamme 2

- Je cherche - Offre - Tendances - Palais des Glaces - Upload -

Gamme 3

- Archives - Schémathèque - Glossaire technique - Glossaire patoisant - Journaux - Remerciements -